ИФС А-250-10

ИФС А-250-10
Детальное изображение товара
Присоединение: Фланцевое
Температурный диапазон эксплуатации: -40 °С до + 80 °С
Электрическое сопротивление постоянному току при 500 В не менее: не менее 5МОм
Материал изделия: сталь 20
Все характеристики Все характеристики
Информация об оплате
Оплата товара осуществляется по безналичному расчёту.
Информация о доставке
Наша компания располагает как собственным автопарком, так и работает с различными логистическими компаниями.

Доставка осуществляется в рабочие дни с 8–00 до 17–00. Доставка может оформляться как одновременно с заказом. Так и отдельно.

Покупка в кредит или рассрочку Покупка в кредит или рассрочку Если вы забираете ваши товары самостоятельно, то вам необходимо будет связаться с нашими менеджерами, чтобы согласовать время отгрузки.
Описание

   Изолирующие фланцевые соединение ИФС предназначены для изолирования или электрического разделения участков наружных трубопроводов, транспортирующих неэлектропроводящую среду (природный или сжиженный углеводородный газ в паровой фазе). Изготавливаются по ТУ 3799-002-69437911-2012. 

Документация
Характеристики
Присоединение Фланцевое
Температурный диапазон эксплуатации -40 °С до + 80 °С
Электрическое сопротивление постоянному току при 500 В не менее не менее 5МОм
Материал изделия сталь 20
Рабочее давление 1,0 МПа
Обозначение ИФС-А-250-10
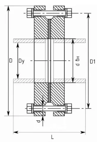
DN 250
Pn, кгс/см² 10
dвн, мм 273
D, мм 390
D1, мм 350
n, шт. 12
d , мм 37
L, мм 500
M, кг 61,1
О товаре
Описание Документация Характеристики

   Изолирующие фланцевые соединение ИФС предназначены для изолирования или электрического разделения участков наружных трубопроводов, транспортирующих неэлектропроводящую среду (природный или сжиженный углеводородный газ в паровой фазе). Изготавливаются по ТУ 3799-002-69437911-2012. 

Присоединение Фланцевое
Температурный диапазон эксплуатации -40 °С до + 80 °С
Электрическое сопротивление постоянному току при 500 В не менее не менее 5МОм
Материал изделия сталь 20
Рабочее давление 1,0 МПа
Обозначение ИФС-А-250-10
DN 250
Pn, кгс/см² 10
dвн, мм 273
D, мм 390
D1, мм 350
n, шт. 12
d , мм 37
L, мм 500
M, кг 61,1
Описание

   Изолирующие фланцевые соединение ИФС предназначены для изолирования или электрического разделения участков наружных трубопроводов, транспортирующих неэлектропроводящую среду (природный или сжиженный углеводородный газ в паровой фазе). Изготавливаются по ТУ 3799-002-69437911-2012. 

Документация
Характеристики
Присоединение Фланцевое
Температурный диапазон эксплуатации -40 °С до + 80 °С
Электрическое сопротивление постоянному току при 500 В не менее не менее 5МОм
Материал изделия сталь 20
Рабочее давление 1,0 МПа
Обозначение ИФС-А-250-10
DN 250
Pn, кгс/см² 10
dвн, мм 273
D, мм 390
D1, мм 350
n, шт. 12
d , мм 37
L, мм 500
M, кг 61,1

Нужна помощь?

Оставьте заявку, и в ближайшее время с вами свяжется специалист, чтобы проконсультировать по всем интересующим вопросам.

С этим товаром покупают
Недавно просмотренные
Менеджер
Ведущий специалист
Консультация специалиста
Мы свяжемся с вами в ближайшее время
Менеджер
Ведущий специалист
Оставить заявку
Мы свяжемся с вами в ближайшее время
Менеджер
Ведущий специалист
Заказать расчет
Мы свяжемся с вами в ближайшее время