КОМПЛЕКСНЫЕ ПОСТАВКИ ОБОРУДОВАНИЯ ДЛЯ ГАЗИФИКАЦИИ ПРЕДПРИЯТИЙ И КОТЕЛЬНЫЕ "ПОД КЛЮЧ"
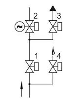
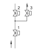
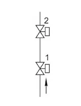
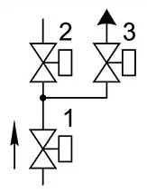
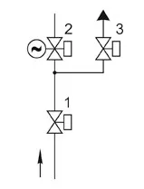
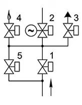
Блок электромагнитных клапанов — это последовательно собранные в единую рампу электромагнитные клапаны и другие элементы газовой арматуры (фильтр газовый, регулятор-стабилизатор давления, заслонка регулирующая, предохранительно-сбросный клапан, предохранительно-запорный клапан, датчик-реле давления и т.д.).
ОБЛАСТЬ ПРИМЕНЕНИЯ:Применяется для управления и регулирования подачей газовых сред в газовых горелках водогрейных и паровых котлов, плавильных и сушильных печей, газовых подогревателей и других газорасходных устройств.
УСЛОВНЫЙ ПРОХОД:
• DN 15÷300.
МАТЕРИАЛ КОРПУСА:
• сталь: DN 15÷300;
• чугун: DN-150, DN-200;
• алюминий: DN 15÷200.
КОМБИНИРОВАННЫЙ ГАЗОВЫЙ БЛОК МОЖЕТ ОСНАЩАТЬСЯ ДОПОЛНИТЕЛЬНЫМИ УСТРОЙСТВАМИ:
• датчиками положения затворов клапанов, входящих в состав блока;
• датчиками-реле давления;
• блоком контроля герметичности (обеспечивает проверку герметичности клапанов, входящих в состав блока, перед розжигом горелки);
• электроприводами различных типов.
ИСПОЛНЕНИЕ:
• общепромышленное;
• взрывозащищенное.
КЛИМАТИЧЕСКОЕ ИСПОЛНЕНИЕ:
• У3.1 (-30…+60 °С) – эксплуатация в нерегулярно отапливаемых помещениях;
• У2 (-45…+60 °С) – эксплуатация под навесом;
• УХЛ2 (-60…+60 °С) – эксплуатация под навесом;
• УХЛ1 (-60…+60 °С) – эксплуатация на открытом воздухе.
ТЕМПЕРАТУРА РАБОЧЕЙ СРЕДЫ:
По умолчанию все блоки клапанов газовых производства ТЕРМОБРЕСТ поставляются в исполнении для рабочей среды с температурой от -60 до +70 °С.
По специальному заказу они могут быть изготовлены для рабочей среды с температурой от -45 до +120 °С.
Для блоков клапанов с датчиками положения по специальному заказу возможно исполнение с температурой рабочей среды от -45 до +90 °С (верхний предел органичен допустимым пределом эксплуатации датчика положения).

1. C — обозначение серии;
2. Присоединительный размер, дюймы
3. Исходное состояние основных клапанов:
Н - нормально - закрытое
4. Дефис
5. Количество клапанов в блоке
6. Дефис
7. Номер блока
8. Номер блока
9. К - исполнение основного клапана
10. П - исполнение клапанов с датчиком положения
11. Д - наличие датчиков - реле давления
12. Е - исполнение клапанов во взрывозащищеном исполнении
13. Климатическое исполнение, напряжение питания
По типу присоединения к трубопроводу блоки в стальном корпусе изготавливаются:
муфтовые — от DN 40 до DN 50;
фланцевые — от DN 25 до DN 100.
Фланцы соответствуют по ГОСТ 12815, исп. 1, до 0,6 МПа.
Климатическое исполнение:
- УХЛ1 (-60...+60 °C) - только для взрывозащищенного исполнения;
- УХЛ2 (-60...+60 °C);
- У2 (-45...+60 °C);
- У3.1 (-30...+40 °C).
Для блоков в стальном корпусе, в состав которого входит клапан с электромеханическим приводом регулятора расхода, климатическое исполнение У3.1 (-30...+60 °C). Возможно изготовление блоков с электроприводом расхода исполнения У2 (-45...+60 °C). Блоки клапанов с применением электропривода могут обеспечивать как пропорциональное, так и позиционное регулирование. Применение блоков позволяет значительно уменьшить габариты и материалоемкость арматурной группы горелки, количество сварных швов, трудоемкость монтажа и пусконаладочных работ, повысить надежность работы и удобство обслуживания.
|
Наименование параметра |
Значение |
|
Рабочая среда |
Углеводородные газы (ГОСТ 5542), газовые фазы сжиженных газов (ГОСТ 20448), воздух, неагрессивные газы |
|
Время открытия / закрытия, с, не более |
1 |
|
Частота включений, 1/ч, не более |
300 |
|
Ресурс включений, не менее |
500 000 |
|
Класс герметичности |
А |
|
Степень защиты клапанов, входящих в блок: - общепромышленного исполнения - взрывозащищенного исполнения |
IP65 IP67 |
|
Напряжение питания переменного тока постоянного тока |
220, 110, 24 В; 50, 60 Гц 220, 110, 24 В |
|
Номинальная мощность одной катушки, Вт |
25...90 |
|
Средний срок службы, лет, не менее |
9 |
При заказе блока необходимо указать обозначение блока, расположение клапанов относительно друг друга (схему блока), состав блока (наименование клапанов, входящих в блок), рабочее давление, климатическое исполнение, напряжение питания.
Для блоков, где применяется электромеханическое регулирование расхода газа дополнительно указывается:
- для пропорционального регулирования - буквосочетание ПР., а в скобках тип датчика положения (2000 Ом, 100 Ом или 4...20 мА) или величину управляющего напряжения (0...10 В);
- для позиционного регулирования - буквосочетание ПОЗ.