КОМПЛЕКСНЫЕ ПОСТАВКИ ОБОРУДОВАНИЯ ДЛЯ ГАЗИФИКАЦИИ ПРЕДПРИЯТИЙ И КОТЕЛЬНЫЕ "ПОД КЛЮЧ"


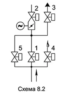
- основного запорного клапана 1;
- рабочего клапана 2 с электромеханическим регулятором расхода;
- клапана свечи безопасности 3;
- клапана запальной горелки 4;
- клапана контроля плотности 5.
Клапаны свечи безопасности и запальной горелки могут располагаться справа по ходу газа (рис. 1, 3) или слева (рис. 2, 4).
Материал корпусов основных клапанов (поз. 1, 2):
- сталь - для DN 65 - 300;
- чугун - для DN 150, 200.
Материал корпусов обвязочных клапанов (поз. 3, 4, 5) - сталь; возможно исполнение из алюминиевых сплавов.
При заказе блока необходимо обязательно указать исполнение: СТАЛЬ.



- основного запорного клапана 1;
- рабочего клапана 2 с электромеханическим регулятором расхода;
- клапана свечи безопасности 3;
- клапана запальной горелки 4;
- клапана контроля плотности 5.
Клапаны свечи безопасности и запальной горелки могут располагаться справа по ходу газа (рис. 1, 3) или слева (рис. 2, 4).
Материал корпусов основных клапанов (поз. 1, 2):
- сталь - для DN 65 - 300;
- чугун - для DN 150, 200.
Материал корпусов обвязочных клапанов (поз. 3, 4, 5) - сталь; возможно исполнение из алюминиевых сплавов.
При заказе блока необходимо обязательно указать исполнение: СТАЛЬ.



- основного запорного клапана 1;
- рабочего клапана 2 с электромеханическим регулятором расхода;
- клапана свечи безопасности 3;
- клапана запальной горелки 4;
- клапана контроля плотности 5.
Клапаны свечи безопасности и запальной горелки могут располагаться справа по ходу газа (рис. 1, 3) или слева (рис. 2, 4).
Материал корпусов основных клапанов (поз. 1, 2):
- сталь - для DN 65 - 300;
- чугун - для DN 150, 200.
Материал корпусов обвязочных клапанов (поз. 3, 4, 5) - сталь; возможно исполнение из алюминиевых сплавов.
При заказе блока необходимо обязательно указать исполнение: СТАЛЬ.

Оставьте заявку, и в ближайшее время с вами свяжется специалист, чтобы проконсультировать по всем интересующим вопросам.