КОМПЛЕКСНЫЕ ПОСТАВКИ ОБОРУДОВАНИЯ ДЛЯ ГАЗИФИКАЦИИ ПРЕДПРИЯТИЙ И КОТЕЛЬНЫЕ "ПОД КЛЮЧ"

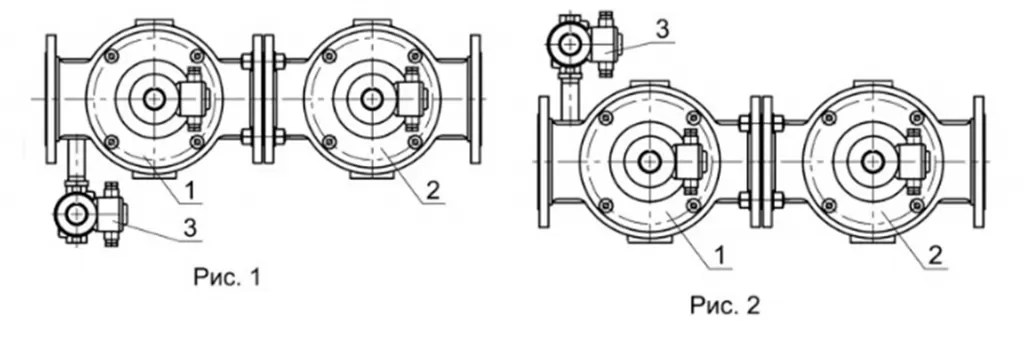
Блок (рис. 1, 2) состоит из следующих основных узлов и деталей:
- основного запорного клапана 1;
- рабочего клапана 2;
- клапана запальной горелки 3.
Клапан запальной горелки может располагаться справа по ходу газа (рис. 1) или слева (рис. 2).
Материал корпусов основных клапанов (поз. 1, 2):
- сталь - для DN 40 - 300;
- чугун - для DN 150 - 200.
Материал корпуса запальной горелки (поз. 3) - сталь; возможно исполнение из алюминиевых сплавов.
При заказе блока необходимо обязательно указать исполнение: СТАЛЬ.


Блок (рис. 1, 2) состоит из следующих основных узлов и деталей:
- основного запорного клапана 1;
- рабочего клапана 2;
- клапана запальной горелки 3.
Клапан запальной горелки может располагаться справа по ходу газа (рис. 1) или слева (рис. 2).
Материал корпусов основных клапанов (поз. 1, 2):
- сталь - для DN 40 - 300;
- чугун - для DN 150 - 200.
Материал корпуса запальной горелки (поз. 3) - сталь; возможно исполнение из алюминиевых сплавов.
При заказе блока необходимо обязательно указать исполнение: СТАЛЬ.


Блок (рис. 1, 2) состоит из следующих основных узлов и деталей:
- основного запорного клапана 1;
- рабочего клапана 2;
- клапана запальной горелки 3.
Клапан запальной горелки может располагаться справа по ходу газа (рис. 1) или слева (рис. 2).
Материал корпусов основных клапанов (поз. 1, 2):
- сталь - для DN 40 - 300;
- чугун - для DN 150 - 200.
Материал корпуса запальной горелки (поз. 3) - сталь; возможно исполнение из алюминиевых сплавов.
При заказе блока необходимо обязательно указать исполнение: СТАЛЬ.

Оставьте заявку, и в ближайшее время с вами свяжется специалист, чтобы проконсультировать по всем интересующим вопросам.