ИФС СИ-32-16

ИФС СИ-32-16
Детальное изображение товара
Присоединение: Фланцевое
Температурный диапазон эксплуатации: -40 °С до + 80 °С
Максимальное рабочее давление: 1,6 МПа
Электрическое сопротивление постоянному току при 500 В не менее: не менее 5МОм
Все характеристики Все характеристики
Информация об оплате
Оплата товара осуществляется по безналичному расчёту.
Информация о доставке
Наша компания располагает как собственным автопарком, так и работает с различными логистическими компаниями.

Доставка осуществляется в рабочие дни с 8–00 до 17–00. Доставка может оформляться как одновременно с заказом. Так и отдельно.

Покупка в кредит или рассрочку Покупка в кредит или рассрочку Если вы забираете ваши товары самостоятельно, то вам необходимо будет связаться с нашими менеджерами, чтобы согласовать время отгрузки.
Описание

   Изолирующие фланцевые соединение ИФС предназначены для изолирования или электрического разделения участков наружных трубопроводов, транспортирующих неэлектропроводящую среду (природный или сжиженный углеводородный газ в паровой фазе). Изготавливаются по ТУ 3799-002-69437911-2012. По заказу возможно изготовление ИФС из специальной хладостойкой стали с температурным диапазонам эксплуатации от -70С.

Документация
Характеристики
Присоединение Фланцевое
Температурный диапазон эксплуатации -40 °С до + 80 °С
Максимальное рабочее давление 1,6 МПа
Электрическое сопротивление постоянному току при 500 В не менее не менее 5МОм
Материал изделия сталь 20
Срок службы не менее 30 лет
Гарантийный срок эксплуатации 12 месяцев от даты реализации, при соблюдении правил транспортирования, хранения, монтажа и эксплуатации.
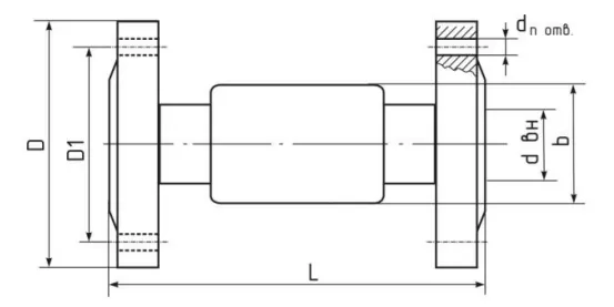
Обозначение СИ -32-16
DN 32
Pn, кгс/см² 16
dвн, мм 39
b 54
D, мм 135
D1, мм 100
n, шт. 4
d , мм 18
L, мм 162
M, кг 4,0
О товаре
Описание Документация Характеристики

   Изолирующие фланцевые соединение ИФС предназначены для изолирования или электрического разделения участков наружных трубопроводов, транспортирующих неэлектропроводящую среду (природный или сжиженный углеводородный газ в паровой фазе). Изготавливаются по ТУ 3799-002-69437911-2012. По заказу возможно изготовление ИФС из специальной хладостойкой стали с температурным диапазонам эксплуатации от -70С.

Присоединение Фланцевое
Температурный диапазон эксплуатации -40 °С до + 80 °С
Максимальное рабочее давление 1,6 МПа
Электрическое сопротивление постоянному току при 500 В не менее не менее 5МОм
Материал изделия сталь 20
Срок службы не менее 30 лет
Гарантийный срок эксплуатации 12 месяцев от даты реализации, при соблюдении правил транспортирования, хранения, монтажа и эксплуатации.
Обозначение СИ -32-16
DN 32
Pn, кгс/см² 16
dвн, мм 39
b 54
D, мм 135
D1, мм 100
n, шт. 4
d , мм 18
L, мм 162
M, кг 4,0
Описание

   Изолирующие фланцевые соединение ИФС предназначены для изолирования или электрического разделения участков наружных трубопроводов, транспортирующих неэлектропроводящую среду (природный или сжиженный углеводородный газ в паровой фазе). Изготавливаются по ТУ 3799-002-69437911-2012. По заказу возможно изготовление ИФС из специальной хладостойкой стали с температурным диапазонам эксплуатации от -70С.

Документация
Характеристики
Присоединение Фланцевое
Температурный диапазон эксплуатации -40 °С до + 80 °С
Максимальное рабочее давление 1,6 МПа
Электрическое сопротивление постоянному току при 500 В не менее не менее 5МОм
Материал изделия сталь 20
Срок службы не менее 30 лет
Гарантийный срок эксплуатации 12 месяцев от даты реализации, при соблюдении правил транспортирования, хранения, монтажа и эксплуатации.
Обозначение СИ -32-16
DN 32
Pn, кгс/см² 16
dвн, мм 39
b 54
D, мм 135
D1, мм 100
n, шт. 4
d , мм 18
L, мм 162
M, кг 4,0

Нужна помощь?

Оставьте заявку, и в ближайшее время с вами свяжется специалист, чтобы проконсультировать по всем интересующим вопросам.

С этим товаром покупают
Недавно просмотренные
Менеджер
Ведущий специалист
Консультация специалиста
Мы свяжемся с вами в ближайшее время
Менеджер
Ведущий специалист
Оставить заявку
Мы свяжемся с вами в ближайшее время
Менеджер
Ведущий специалист
Заказать расчет
Мы свяжемся с вами в ближайшее время